您的位置:首页 > 技术支持 > 技术文章 > 详情

技术文章

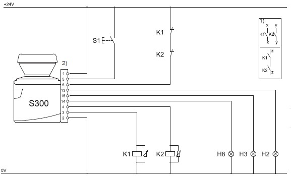
SICK传感器-S300 标准型的接线图?

发布日期:2015-10-21 23:44:00阅读次数:字号:
SICK传感器-S300 标准型的接线图?


深圳市深控科技有限公司---传感器光电传感器光电开关压力传感器温度传感器安全光幕安全光栅安全继电器电磁阀气缸SICK传感器西克传感器施克传感器IFM传感器易福门传感器邦纳传感器TURCK传感器图尔克传感器FESTO费斯托三菱PLC三菱变频器DOLD继电器REER光幕INGUN探针、代理商、总代理、官网
分享到:
新闻中心